straighten

Steel Column Baseplate

v1.0.0
File:
Project:
Designer:
Date:

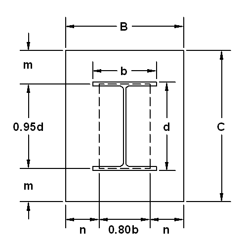
Member Dimensions

Section Designation
Metric
Imperial


Shape:
Sections from database
Column Dimensions
width, b:
mm
depth, d:
mm
Total Factored Column Load
Cf:
kN
Base Plate Dimensions
B:
mm
C:
mm
Steel yield strength
Fy:
MPa
Specified Concrete Strength (28 day)
f'c:
MPa
steel base plate

© 2009–2026 Modulo Software Inc.

info Logged Out
close

You have been logged out of Jabacus at this location because you have signed in at another location.